
1.半挂车及半挂列车的概念
1)半挂车:由半挂牵引车牵引且其部分质量由其牵引车承受的挂车称为半挂车。
2)半挂列车:是由一辆汽车(货车或牵引车)与一辆或一辆以上挂车的组合。汽车(货车或牵引车)是半挂列车的动力来源;挂车是汽车列车的专用载货工具,其本身不带动力源。

2.半挂产品分类
2.1按车架形式。
平板式半挂车:整个货台是平直的,且在车轮之上,适于运输钢材、木材及大型设备。
阶梯式半挂车:半挂车车架呈阶梯形,货台平面在鹅颈之后,最早的阶梯式平板半挂车,其鹅颈均为弧形结构,在鹅颈上端形成第二货台平面。由于阶梯式结构货台平面降低,从而适合运输各种大型设备、钢材等。
凹梁式半挂车:其货台平面呈凹形具有最低的承载平面。凹型货台平面离地高度一般根据用户要求确定,适合超高货物运输。

2.2按半挂车车轴数分类。
半挂车按车轴分类通常可以分为单轴、双轴、三轴和多轴四类:

单轴半挂车是最简单的半挂车,国标GB6420—86规定半挂车总质量13.3t以及13.3t 以下都为单轴。其整备质量小、制造方便,并且轮胎磨耗和燃油消耗较少。随着所要求的半挂车装载质量的增加,为了不超过轴负荷和总载量的规定,主要途径是增加半挂车轴数。
2.3按公告长度分类:8.6m、10m、11.16m、12.1m、12.5m、13m。
2.4按吨位分类:9T、15T、20T、22T、25T、26T、28T、30T、31T、32T。
2.5按产品功能分类。



3.半挂车的几个主要应用参数
3.1 GB1589规定的长宽高限值。

3.2半挂车和牵引车的连接尺寸。
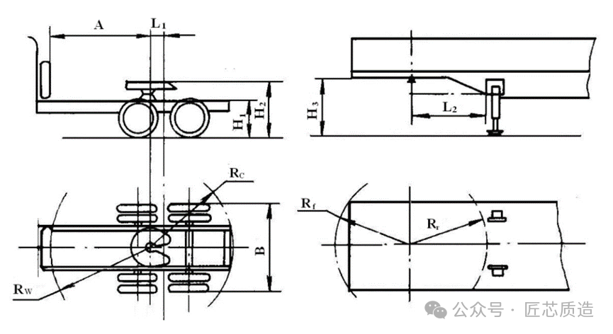
半挂车和牵引车的连接尺寸如图所示, 图中H1为牵引车车架上平面离地面高度, L1为牵引座的前置距。半挂车和牵引车的连接尺寸在JT/T 328《货运半挂车通用技术条件》和JB/T 4185《半挂车通用技术条件》都有规定。



3.2.1半挂车的前回转半径和牵引车的间隙半径。
半挂车的前回转半径Rf 是指牵引销中心至半挂车前端最远点水平面内投影的距离。牵引车的间隙半径RW 是指牵引座中心至驾驶室后围或备胎架(或其它附件,如空滤器等)的最近点水平面内投影的距离。JB/T 4185《半挂车通用技术条件》 规定,圆头的半挂车前回转半径的最大值为2040mm,方头的半挂车为1600mm,通用集装箱半挂车为914mm。为了保证半挂车和牵引车在运行中不产生干涉, R W -R f ≥70mm,并与牵引车牵引座上的载货有关。
3.2.2半挂车的间隙半径和牵引车的后回转半径。
半挂车的间隙半径Rr是指牵引销中心至鹅颈或支承装置上最近点水平面内投影的距离。牵引车的后回转半径Rc,是指牵引座中心至牵引车车架后端最远点水平面内投影的距离。JB/T 4185规定,后回转半径Rr的最大值不超过1310~2200mm, Rr-Rc≥70mm,也与牵引车牵引座上的载货有关。
3.2.3半挂车牵引板离地高度。
半挂车牵引板的离地高度H3 是半挂车处于满载状态下的高度,JB/T 4185规定,其值必须等于牵引车牵引座在满载状态时的离地高度H 2 ,满载时牵引车牵引座离地高度H 2 在1130~1400mm之间,且与牵引车牵引座上的载货有关。
3.2.4半挂车相对于牵引车的各种摆角。
前俯角α是指半挂车前端最外点和牵引车车架相碰时,半挂车和牵引车在纵向平面内的相对夹角;后仰角β是指半挂车鹅颈处纵梁下翼板和牵引车尾端点相碰时在纵向平面内的相对夹角。铰接角φ是指半挂车绕牵引销中心左右方向的转角。JT/J328规定,一般后仰角的范围为β =8~14°,并随半挂车的总质量而有所不同;前俯角α不应小于8°,牵引连接装置应保证半挂车绕牵引销中心轻便地左右转动90°以上。

4.半挂车的总体结构
半挂车由车厢、车架、支腿(支撑装置)、悬挂、车桥(轮轴总成)、电气路、防护网、工具箱等组成。

4.1:车厢
(1)车厢的开门数及高度:常用的11开门、600mm高。
(2)车厢形式:大立式(边框为100*50*2方管焊成)、小立式(边框为70*50*2方管焊成)、平板、波形、压花。

(3)合页的形式:大合页、小合页、平合页、铸钢合页。
(4)厚度:标配1.5、轻型车为1.2、重型的拉煤及自卸半挂为2.0。
(5)边框:方管。小立式为(70*50*2方管)、大立式(100*50*2方管)。

4.2车架。
车架采用16Mn车用钢板制成的焊接纵梁和贯穿梁及型钢构件组焊而成,为空间框架式结构。作用:车架是用来支撑载荷、安装牵引销、悬挂、支撑等装置的主要部件。

a.车架的纵梁结构根据货台型式要求,相应有板式、阶梯式,凹梁式等。纵梁截面有工字形、槽形、箱形等。槽形截面纵梁具有较高的抗弯强度,且便于安装各种总成和部件。箱形截面具有较高的抗扭强度,但不便与横梁连接以及安装其它部件。对于大吨位半挂车多采用工字形截面的型钢。对于纵梁主截面的最大高度,可参考以下尺寸:载质量15t,主截面高300mm左右;载质量20~30t,主截面高350~450mm;载质量40~50t,主截面高450~550mm。

b.横梁结构及特点:
(1)圆管形:具有较高的扭转刚度,但因纵梁截面高度较大,为使载荷从整个截面传递到横梁上,必须补焊许多连接板,故增加了车架质量,且成本高、工艺复杂。另外,当扭转较严重时,连接板处应力较大。因此圆管形横梁一般只布置在车架纵梁的两端,靠近下翼板,增强车架整体扭转刚度。
(2)工字形:对载荷传递较为理想,但纵梁翼缘和横梁翼缘连接,对扭转约束较大,因而翼缘产生的内应力较大。
(3)槽形:多用钢板冲压成形,制造工艺简单、成本低,为许多厂家采用,但扭转刚度较差。
(4)箱形:和圆形横梁有类似的特点,具有较好的抗扭性。
c.纵梁和横梁的连接。
(1)横梁和纵梁上下翼缘连接。这种结构有利于提高车架的扭转刚度,但在受扭严重的情况下,易产生约束扭转,因而在纵梁翼缘处会出现较大内应力。该结构形式一般用在半挂车鹅颈区、支承装置处和后悬架支承处。
(2)横梁和纵梁的腹板连接。这种结构刚度较差,允许纵梁截面产生自由翘曲,不形成约束扭转。这种结构形式多用在扭转变形较小的车架中部横梁上。
(3)横梁与纵梁上翼缘和腹板连接。这种结构兼有以上两种结构特点,故应用较多。
(4)横梁贯穿纵梁腹板连接。这种贯穿连接结构是目前国内外广泛采用的。

d.车架的宽度与挂车整车的宽度、前后轮距、轮胎数量及宽度、 钢板弹簧位置与片宽等有关。

4.3支腿(支撑装置)。
用来支承摘挂后半挂车前部载荷的装置。支腿有联动和单动两种形式,联动型和单动支腿在结构上大致相同,联动型从动支腿没有变速箱,和主动支腿之间由传动连接杆连接。转动摇把使支承装置升降,支腿升降有快、慢两档,高速档用于空载,低速档用于重载。半挂车装载质量10-15吨,支承质量20吨;半挂车装载质量15-30吨,支承质量24吨;半挂车装载质量30-60吨,支承质量32吨。

4.4悬挂。
工作原理:钢板弹簧用U型螺栓紧固在车轴的轴体上,两端卡在车架支架中,通过平衡臂串联起来,平衡臂在一定范围内得到平衡。钢板弹簧主要承受车架上垂直方向重力,其水平方向的作用力由下轴卡和拉杆传递。通过调整拉杆可以将轴调整平行,避免造成轮胎异常磨损。作用:是用来传递载荷、减震的装置。结构:包括支架、拉杆、上下轴卡、U型螺栓、钢板弹簧、平行臂等。

4.5轮轴总成。
结构:由轮胎、钢圈、轮彀、制动器和车轴构成。按吨位分有10吨、12吨、13吨、15吨、16吨等。按轴管不同分方轴(150*150)和圆轴(¢125)。按宽度不同分普通轴和加宽轴。

轮胎:按大小不同有8.25系列、9.0系列、10.0系列、11.0系列、12.0系列等。按形式不同有钢丝胎(子午线胎)、尼龙胎、真空胎等。按宽度不同有普通胎与加宽胎。

4.6牵引车与半挂车的连接装置。
牵引销:按尺寸分50#(2.5”)与90#( 3.5”)两种。按安装形式分焊接式与装配式两种。

4.7防护栏 (外界物体不容易进入该车体的下部,起防护和阻拦作用。)
4.7.1型;C型、B型、A后防护栏形式:
4.7.2侧防护栏形式:型材类、帽沿钢形、钢板折弯形。

4.8电气路。
电路是起到照明及发出信号的作用(图示各种灯具的数量仅为示意,不同结构、不同尺寸的车型将依据国家有关标准增减。)。气路是用来正常行驶制动、紧急行驶制动的装置,由气接头、充气管路、操纵管路、 紧急继动阀、储气筒、制动气室构成。

5.半挂车允许的尺寸偏差
A1=A2(牵引销中心线至半挂车第一轴左右轮中心线距离)公差为±3mm;
B1=B2(半挂车相邻车轴之间的距离)国家标准公差为±1.5mm;
C(车桥中心与车架中心的距离)≤6 mm;
D(半挂车轮距)±5mm;
E(牵引销中心线至后轴轴线垂直距离)±20 mm;
F (牵引销中心线至车厢前端距离)±10mm;
多轴半挂车相邻两车轴轴端平面度≤5mm;
